BM64071MUV-Z
phone 0755-2810 2601
三相无刷电机驱动IC
品牌:罗姆
工作电压:28V~77V
工作电流:6.9 mA(典型值)
工作温度:-40°C-105°C
封装:VQFN32V
应用:风扇电机、其他一般消费设备
Application Scenarios
Recommended Products
ZH5212
电机控制专用32位MCU 品牌:英能 电压:2.8V~5.5V 最高工作频率:96Mhz 工作温度::-40℃~125℃ 封装:SOP24/QFN24 应用:落地扇、洗衣机水泵、智能马桶水泵
ZH6219
同步电机驱动芯片 品牌:英能 电压:7V~28V 最大电流:500mA 工作温度:-40℃~125℃ 封装:SOT-23-5/SOP-8 应用:同步电机、洗衣机排水阀
ZH63582
高集成度三相FOC预驱驱动芯片 品牌:英能 工作电压:7V~32V 输出电流(外置 MOS):20A 工作温度:-40°C-150°C 封装:ETSSOP24 和 QFN24 应用:风扇,水泵,除湿机,加湿器,空气净化器,新风系统 等低速电机应用
PT5616
Three-Phase 600V Gate Full-Bridge Driver IC Brand: Puchen Output Current: 200mA-400mA Operating Temperature: -40°C to 125°C Power Supply Voltage: 18V per channel Applications: Dough mixers (kneading machines), blenders, egg beaters, pet dryers, ceiling fans, floor fans, industrial fans, water pumps, treadmills, air conditioner indoor units, juicers, hair suckers, range hoods, fascia guns, etc.
PT2E01Z1
100V Three-Phase Gate Driver Chip Brand: Princeton Technology Core: ARM Cortex-M0, up to 80MHz, 64KB Flash + 8KB SRAM Integration: 100V three-phase gate driver + hardware-level protection functions Control: 11 sets of timers, 22-channel PWM, 12-bit ADC + operational amplifier Compatibility: Wide voltage supply (1.8-5.5V for MCU / 10-20V for driver), supports I2C/SPI/UART Features: 5 low-power modes (0.12μA in shutdown mode), wide temperature range (-40~125℃), strong EMC/ESD protection Additional: Arithmetic accelerator, CRC check, code protection Applications: Dough mixers (dough kneading machines); power tools: motor drive control for handheld electric devices such as electric drills, electric saws, grinders, etc.
MS39747TEA
Three-Phase Sensorless Motor Driver IC Brand: RM Semiconductor Operating Voltage: 4-38V, Typical Voltage 24V Continuous Current: 2A, Peak Current Up to 3A Key Features: Quiet Operation Sensorless Sinusoidal Wave Startup Low Rdson MOSFET (High-Side + Low-Side: 360mΩ) Rich Speed Curves Configurable via EEPROM Multiple Startup Modes & Adjustable Startup Parameters Low Power Consumption Mode Comprehensive Protection Functions: Overvoltage, Overcurrent, Overtemperature Protection Undervoltage Lockout (UVLO) Lock Detection: Configurable Restart Times After Stall Applications: Household Fans, Automotive Fans, Automotive Seat Fans
MS39531
Sinusoidal Three-Phase Sensorless DC Motor Driver IC Brand: RM Semiconductor Operating Voltage: 4.5-16V, Typical Voltage 12V Peak Current: Up to 3A Key Features: Quiet Operation Sensorless Sinusoidal Wave Startup Low Rdson MOSFET (High-Side + Low-Side: 200mΩ) Speed Curves Configurable via EEPROM Multiple Startup Modes & Adjustable Startup Parameters Low Power Consumption Mode Comprehensive Protection Functions: Overcurrent, Overtemperature Protection Undervoltage Lockout (UVLO) Lock Detection Applications: Household Fan Applications, High-Speed Server Fans, etc.
PT2504
Three-Phase Sensorless BLDC Motor Control Chip Brand: Princeton TechnologyVoltage Range: 9V ~ 28V Integrated PNMOS pre-driver 180° sine wave current operation PWM or VSP input open-loop control PWM, VSP or CLK input closed-loop control Maximum speed limit and angle compensation setting Lock-rotor protection, current limiting and overcurrent protection functions Applications: Three-phase sensorless BLDC motor drive, small fans, water pumps, circulating fans, pedestal fans, bathroom heater fans, fan lights, etc.
Product Description

芯片简介:

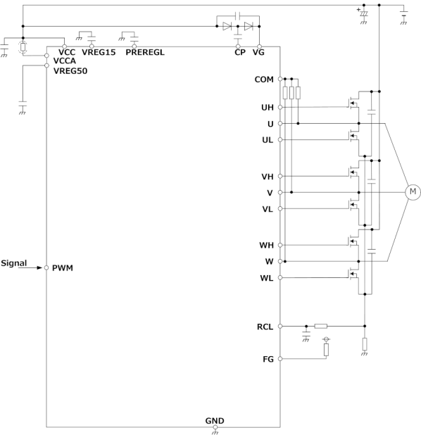
BM64071MUV-Z是用于三相无刷电机驱动器的正弦波驱动的预驱动器IC,支持48V电源控制外部FET构建的电机驱动器。采用无传感器驱动,不需要用于位置感测的霍尔器件。它具有速度反馈控制功能,通过调整输入PWM信号的旋转频率特性和受电机影响的旋转频率来控制输出PWM占空比。


主要规格

1.工作电源电压范围:28V~77V

2.电路电流(ICC):6.9 mA(典型值)

3.工作温度范围:-40°C至+105°C


芯片应用

风扇电机

其他一般消费设备





典型应用电路:


引脚配置(TOP VIEW)及说明:



Product Features

PWM占空比输入的速度控制

外部输出FET Nch+Nch

内置升压电压电路

无传感器正弦波驱动

自动导程角控制

死区时间设置

电流限制功能

省电功能

旋转方向设置

短制动控制

速度反馈控制

能够设置电机转速表和内置OTP的各种参数

内置多种保护:

电机锁定保护[MLP]

高速旋转保护,过载电压锁定[OVLO]

欠压锁定输出[UVLO]

热关机[TSD]

结束电流保护 [OCP])


Application Scenarios
Product Tweets