芯片应用: 主要用在风扇电机、3080显卡风扇、显卡散热风扇、一般消费设备驱动12V风扇的最佳方案
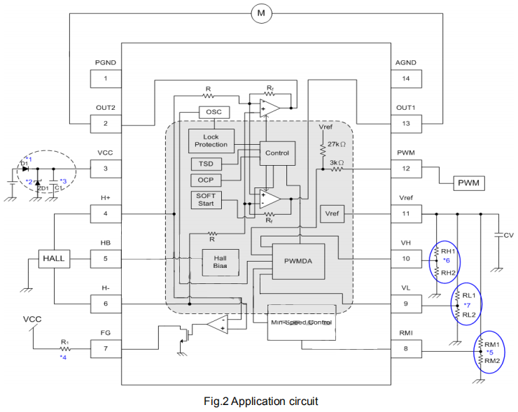
| 芯片概述: AM7228S的升级版本-AM7299S。 AM7299S最吸引人的功能是通过外接电阻进行斜率调节,相比于AM7228S启停转点的精度更准确,可以满足大多数风扇的要求。该集成电路采用软开关驱动,bicmos工艺,并实现静音驱动,低电阻,低功耗。这也包括锁保护无需外部电容的自动重启电路。 备注:AM7228S与AM7228的区别在于: →停转点可调 AM7228S可调 AM7228不可调 |
• 单相外置霍尔无刷驱动芯片 • 全段转速曲线可调,停转点可调 • 软起动/软开关,降低噪音 • 2.8V超低电压启动,18V耐压 • 峰值电流1200mA,平均电流480mA • PWM调速 • FG输出 • 堵转保护,自动重启 • eTSSOP 14L封装 |
|
