三相直流无刷电机驱动芯片
品牌:乐业达
工作电压:8V -20V
工作电流:1.5A
温度:-40 to +85°C
封装:VQFN-24 (4mmx4mm)
应用:通用 BLDC 电机、扫地机行走轮电机、扫地机器人边刷、吸尘器行走轮电机、卷发器、水泵、小风扇
Application Scenarios
Recommended Products
ZH6358
电机驱动IC 品牌:英能 电压:7V~32V 最大电流:150mA 工作温度:-40℃~150℃ 封装:ETSSOP24 应用:三相水冷显卡散热器、扫地机器人主吸电机、风扇、水泵、三相永磁同步电机
ZH6332
无刷方波驱动IC 品牌:英能 电压:6V~40V 最大电流:3A 工作温度:-40℃~125℃ 封装:TSSOP20/QFN20 应用:三相永磁同步电机、扫地机器人走路电机、扫路机器人边刷电机
P24C64C
存储器E²PROM 品牌:普冉 最低工作电压低至1.7V 读取电流400uA,最大值 写入电流最大1.0mA 封装:PDIP、SOP、TSSOP、DFN/UDFN和SOT23-5 应用:红外热成像仪、电话座机、扫地机器人、镜头模组
P24C128E
存储器E²PROM 品牌:普冉 最低工作电压低至1.7V 低功耗CMOS技术 读取电流最大100uA 写入电流最大0.5mA 封装:WLCSP 应用:红外热成像仪、电话座机、扫地机器人、镜头模组
AM2355N
电机驱动IC 品牌:晶致 电压(V):1.8~6.0V 最大电流(mA):1000 工作温度(°C):-40~+125 封装:DFN10 3*3 应用:笔电风扇、电动口罩风扇、电动水阀电机、美容仪器电机、扫地机器人
AM8935
三相无感直流风扇电机驱动IC 品牌:晶致 工作电压:3V-16V 峰值电流:1200mA 工作温度:-40℃~95°C 封装:DFN 5x4-14L 产品应用:显卡风扇/水冷散热泵/扫地机器人
GC4931P
三相有感电机驱动IC 品牌:芯麦 电压(V):4.7~36V 最大电流(mA):MOS外置 工作温度(C):-40+150°C 封装:QFN28 应用:筋膜枪电机、扫地机器人电机、吸尘器电机、齿轮箱减速电机
PT3661
霍尔IC 品牌:旺玖 工作电压:2.4V-5.0V 微功率:(5~7uW(典型值):Vcc=3.0V) 工作温度:-40°C-85°C 封装:VQFN32V 应用:盖探测器、电池供电、手持设备、扫地机器人
PT3621A
单极霍尔开关 品牌:旺玖 工作电压:2.5V~18V 峰值电流:25mA 工作温度:-40°C-150°C 封装:TO-92/SOT-23 应用:电剪刀刀口位置检测 、盖探测器、速度测量、家用电器、家庭安全、VCD/DVD加载器、CD/DVD Rom、扫地机器人(尘盒位置检测)
PY32MD320
Brand: Puya Operating Temperature: -40℃ ~ 105℃ Operating Voltage: 1.7 V ~ 5.5 V Flash Memory: 64 Kbytes Memory: 8 Kbytes SRAM (SRAM: Static Random-Access Memory, a type of high-speed volatile memory) Operating Frequency: 48 MHz (MHz: Megahertz, a unit of frequency) Package: QFN32 (QFN: Quad Flat No-leads, a type of surface-mount package; "32" indicates 32 pins) Applications: Sweeping robots (wheel hub motors), water pumps, power tools, radio-controlled models (RC models), high-speed fans, electronic cigarettes, sensor devices, etc.
PT2489L
Dual H-Bridge Stepper Motor Driver IC Brand: PTC Supply Voltage: 8V ~ 40V Peak Current: 2.5A (with additional heatsink when VM=24V) Low Switch On-Resistance: 0.4Ω (Typical Value) High-Side + Low-Side at Tj=25℃ Protection Functions: Over-Current Protection (OCP) Thermal Shutdown (TSD) VM Under-Voltage Lockout (UVLO) Fault Indicator Output (FALTN) Applications: Automated Teller Machines (bill counters), video surveillance cameras, printers, scanners, office automation equipment, entertainment equipment, factory automation equipment, robots.
PT5139
Dual H-Bridge Motor Driver IC Brand: Puricome Part Number: MPS6507 Supply Voltage: 2.7V ~ 15V Current: 0.7A Low Quiescent Current: 1.1mA Low Sleep Current: 1μA Thermal Shutdown and Under-Voltage Lockout (UVLO) Protection Over-Current Protection (OCP) Over-Temperature Output Flag Thermally Enhanced Surface-Mount Package Applications: Digital Still Cameras, POS Printers, Video Surveillance Cameras, Smart TV Devices (Lens Lifting), Robots, Battery-Powered Toys
ACM6754
Three-Phase Brushless DC Motor Driver Chip Brand: Zhisheng Input Voltage Range: 5V - 28V Built-in LDOs: 5V and 3.3V Peak Current: 5A VCC Voltage Detection: I²C Reporting Internal Junction Temperature: I²C Reporting Real-time Phase Current: I²C Reporting On-resistance (High-side + Low-side MOSFETs): 160mΩ, 5A Phase Current Capability Forward/Reverse Control: External DIR Pin or I²C Register Control Applications: Fan motor drives, water/oil pump motor drives, and other variable-load applications such as sweeping robot travel wheels, beauty equipment, etc.
SMN3004BLR
30V N‑Channel Power MOSFET Brand: ZJ Semiconductor / ZJ Power Semiconductor Drain-Source Voltage VDS​: up to 30V On-Resistance RDS(ON)​: Max. 4.4mΩ at VGS​=10V Max. 5.8mΩ at VGS​=4.5V Operating Temperature: -55℃ ~ +150℃ Applications: BLDC motor drive for household variable-frequency robotic vacuums Industrial small stepper motor drivers Electronic speed controllers (ESC) for drone brushless motors
ZH6332
无刷方波驱动IC 品牌:英能 电压:6V~40V 最大电流:3A 工作温度:-40℃~125℃ 封装:TSSOP20/QFN20 应用:三相永磁同步电机、扫地机器人走路电机、扫路机器人边刷电机
AM2355N
电机驱动IC 品牌:晶致 电压(V):1.8~6.0V 最大电流(mA):1000 工作温度(°C):-40~+125 封装:DFN10 3*3 应用:笔电风扇、电动口罩风扇、电动水阀电机、美容仪器电机、扫地机器人
AM8935
三相无感直流风扇电机驱动IC 品牌:晶致 工作电压:3V-16V 峰值电流:1200mA 工作温度:-40℃~95°C 封装:DFN 5x4-14L 产品应用:显卡风扇/水冷散热泵/扫地机器人
PT3661
霍尔IC 品牌:旺玖 工作电压:2.4V-5.0V 微功率:(5~7uW(典型值):Vcc=3.0V) 工作温度:-40°C-85°C 封装:VQFN32V 应用:盖探测器、电池供电、手持设备、扫地机器人
PY32MD320
Brand: Puya Operating Temperature: -40℃ ~ 105℃ Operating Voltage: 1.7 V ~ 5.5 V Flash Memory: 64 Kbytes Memory: 8 Kbytes SRAM (SRAM: Static Random-Access Memory, a type of high-speed volatile memory) Operating Frequency: 48 MHz (MHz: Megahertz, a unit of frequency) Package: QFN32 (QFN: Quad Flat No-leads, a type of surface-mount package; "32" indicates 32 pins) Applications: Sweeping robots (wheel hub motors), water pumps, power tools, radio-controlled models (RC models), high-speed fans, electronic cigarettes, sensor devices, etc.
PT2489L
Dual H-Bridge Stepper Motor Driver IC Brand: PTC Supply Voltage: 8V ~ 40V Peak Current: 2.5A (with additional heatsink when VM=24V) Low Switch On-Resistance: 0.4Ω (Typical Value) High-Side + Low-Side at Tj=25℃ Protection Functions: Over-Current Protection (OCP) Thermal Shutdown (TSD) VM Under-Voltage Lockout (UVLO) Fault Indicator Output (FALTN) Applications: Automated Teller Machines (bill counters), video surveillance cameras, printers, scanners, office automation equipment, entertainment equipment, factory automation equipment, robots.
PT5139
Dual H-Bridge Motor Driver IC Brand: Puricome Part Number: MPS6507 Supply Voltage: 2.7V ~ 15V Current: 0.7A Low Quiescent Current: 1.1mA Low Sleep Current: 1μA Thermal Shutdown and Under-Voltage Lockout (UVLO) Protection Over-Current Protection (OCP) Over-Temperature Output Flag Thermally Enhanced Surface-Mount Package Applications: Digital Still Cameras, POS Printers, Video Surveillance Cameras, Smart TV Devices (Lens Lifting), Robots, Battery-Powered Toys
ACM6754
Three-Phase Brushless DC Motor Driver Chip Brand: Zhisheng Input Voltage Range: 5V - 28V Built-in LDOs: 5V and 3.3V Peak Current: 5A VCC Voltage Detection: I²C Reporting Internal Junction Temperature: I²C Reporting Real-time Phase Current: I²C Reporting On-resistance (High-side + Low-side MOSFETs): 160mΩ, 5A Phase Current Capability Forward/Reverse Control: External DIR Pin or I²C Register Control Applications: Fan motor drives, water/oil pump motor drives, and other variable-load applications such as sweeping robot travel wheels, beauty equipment, etc.
SMN3004BLR
30V N‑Channel Power MOSFET Brand: ZJ Semiconductor / ZJ Power Semiconductor Drain-Source Voltage VDS​: up to 30V On-Resistance RDS(ON)​: Max. 4.4mΩ at VGS​=10V Max. 5.8mΩ at VGS​=4.5V Operating Temperature: -55℃ ~ +150℃ Applications: BLDC motor drive for household variable-frequency robotic vacuums Industrial small stepper motor drivers Electronic speed controllers (ESC) for drone brushless motors
Product Description

芯片概述:

LD63006是一款直流无刷电机驱动芯片。通过霍尔信号和输入的 PWM 波进行驱动控制。支持单、双或三霍尔传感器驱动。8到20V 的工作电压,1.5A 的工作电流支持。

LD63006内部包含多种保护电路,可以用于多种用途。

采用小型封装,可用于小型电机驱动。


封装:

VQFN-24 (4mmx4mm)


芯片应用:

通用 BLDC 电机

扫地机行走轮电机

扫地机器人边刷

吸尘器行走轮电机

卷发器

水泵

小风扇等




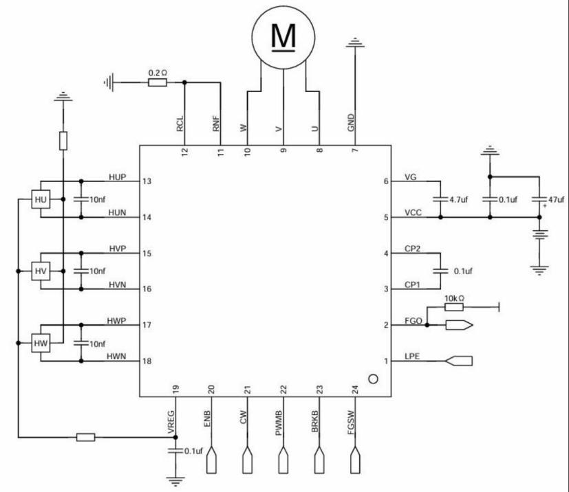
应用电路:

引脚描述及说明:


Product Features

芯片特点:

霍尔容错功能,任一霍尔信号正常即可驱电机运行

OWI 通讯接口,配置电机控制参数,读取 电机状态。

软启动功能(SS)

8V 至 20V 工作电压

1.5A 的工作电流,支持 3A 的峰值电流

低导通电阻半桥驱动

PWM 输入频率 1K 至 100kHz

方向/刹车控制

堵转保护功能 (MLP)

支持霍尔差分输入

多种保护电路:过流(CL)、短路(OCP)、 过温(TSD)、过压(UVLO)、欠压(OVLO)


指标:

额定电压: 20V

额定电流: 1.5A

工作温度: -40 to +85°C

电流极限检测电压: 0.3V±10%

导通电阻: 0.6Ω (典型值)

欠压保护电压: 6.0V (典型值)